The following are the installation methods of three types of surge protection devices:

Figure 1: Surge protection devices.
1. Installation Method of Power Line Surge Protection Device
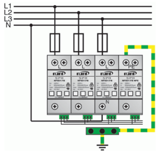
(1)Set power line surge protection device at the entrance of the line into the building, the interface of the lightning protection area and the place close to the protected equipment. The connecting wires should be short and straight. The length should not exceed 0.5m, and be firmly fixed. Each terminal of the SPD should be connected with the same terminal phase line of the line in the pile head distribution box under the same level switch and fuse. And the grounding terminal of it should be connected with the equipotential grounding terminal board in the lightning protection area at the shortest distance. Connect the protective ground wire of the distribution box with the equipotential grounding terminal board.
(2)Crimp the power line surge device with terminal and connected it with the terminal.
2. Installation Method of Antenna Feeder Surge Protection Device
(1) Install the antenna feeder surge protection device between the feeder and the protected equipment. It should be installed near the equipment in the machine room or on the rack, or directly on the RF port of the equipment.
(3)Connect the grounding terminal of the antenna feeder surge protection device with the equipotential grounding terminal board at the junction of lpz0a or lpzob and lpz1 by copper conductor with a cross-sectional area of not less than 6mm2. And the ground wire should be short and straight.
3. Installation Method of Signal Surge Protection Device

Figure 2: A signal protection device.
(1) Connect the signal surge protection device with the signal port of the protected equipment. It should be installed in the cabinet or fixed on the equipment rack or nearby support.
(2)The grounding terminal of the signal surge protection device should adopt a cross-sectional area of not less than 1.5 square meters.
4. Matters
What are the matters needing attetion for installation of surge protection device?
1.Pull down the main switch before operation. Ensure that it is carried out in the scene without power. The purpose is to protect our own health, because we will do wiring when installing surge protection devices. In addition, we can learn something about the contents of the device before installation. The common model is three-phase four-wire system which composed of protection module and base. Record the detailed discharge current, maximum continuous working voltage, fusing capacity on the protection module. The wiring position is under the base.

Figure 3: Three-phase four-wire system.
2.Wiring should be carried out in accordance with relevant standards. In order to prevent coupling between protected equipment and unprotected equipment, measurement is required. Generally, the wires connecting the two devices should be carried out separately which can effectively reduce the coupling condition.
3.There will be an indicator light at the upper right of the protection module, also known as deterioration indication. It usually has the function of warning. When it is lit, it indicates that the module is damaged or degraded. At this time, the module needs to be replaced again. Pull down the main switch first before you replace it. Then fix the base with one hand and pull it up with the other hand. Ensure that the new module can be inserted accurately.
Related Info
How to properly ground the electromagnetiflowmeter under different installation conditionsWhy electromagnetic flowmeter needs grounding
How does electromagnetic flowmeter work